Camaro5 Chevy Camaro Forum / Camaro ZL1, SS and V6 Forums - Camaro5.com
 
TireRack
Go Back   Camaro5 Chevy Camaro Forum / Camaro ZL1, SS and V6 Forums - Camaro5.com > Technical Camaro Topics > Camaro Issues / Problems | Warranty Discussions | TSB and Recalls


Reply
 
Thread Tools
Old 06-04-2023, 11:38 PM   #1
oramaCamaro
 
Drives: 2010 SS RS
Join Date: Aug 2009
Location: upstate ny
Posts: 90
Misfire issue

I have a 2010 ss with just under 50k on it and I have misfire on cylinder 7 code. I was cruising about 40 mph and all of a sudden it started to misfire, I turned around and drove home about 3 miles. I swapped the coil, spark plug and wire to another cylinder, cleared the code and started it up and still get the cylinder 7 misfire code.

I pulled the plug and it was wet and smelled like gas so I don’t think it’s a injector problem. I’m assuming it doesn’t have spark and I’m not sure what to do next. Any help would be greatly appreciated.
oramaCamaro is offline   Reply With Quote
Old 06-05-2023, 09:42 AM   #2
gtstorey


 
Drives: 2010 Camaro SS2,L99, LSA SC
Join Date: Aug 2017
Location: Huntsville, AL
Posts: 2,438
Could still be an injector problem of over fueling. Might be a wiring issue feeding the coil.

Beyond that are more serious issues with valve train followed by cylinder issues.
gtstorey is offline   Reply With Quote
Old 06-05-2023, 10:00 AM   #3
ElderJ
 
ElderJ's Avatar
 
Drives: 2014 Camaro 1LT
Join Date: Aug 2019
Location: Central Florida
Posts: 372
Just for clarity, did you hear/feel the misfire, or was it just a flashing MIL? Reason I ask is because a few years ago I was rolling down the highway when my check engine light started flashing. I coasted down to around 50 before pulling over at the next exit, but I didn't feel a single thing wrong with the engine. The light stopped flashing and disappeared, and I returned home like normal w/o any incident. I ended up changing the coil and all the plugs just for kicks. No issues since, and I believe one of the veteran posters on here claimed that it was more than likely just an oil fouled plug, apparently a common issue on my ride (particular the 1 plug).
ElderJ is offline   Reply With Quote
Old 06-05-2023, 10:48 AM   #4
FasNuf

 
FasNuf's Avatar
 
Drives: 2014 Camaro ZL1
Join Date: Jul 2019
Location: Oregon
Posts: 1,702
Check for spark at the wire end that connects to the plug. You said you swapped all the parts so they're probably good but like gstorey said, it sounds like the harness triggering the coil might be loose of faulty.
FasNuf is offline   Reply With Quote
Old 06-05-2023, 01:14 PM   #5
oramaCamaro
 
Drives: 2010 SS RS
Join Date: Aug 2009
Location: upstate ny
Posts: 90
Quote:
Originally Posted by ElderJ View Post
Just for clarity, did you hear/feel the misfire, or was it just a flashing MIL? Reason I ask is because a few years ago I was rolling down the highway when my check engine light started flashing. I coasted down to around 50 before pulling over at the next exit, but I didn't feel a single thing wrong with the engine. The light stopped flashing and disappeared, and I returned home like normal w/o any incident. I ended up changing the coil and all the plugs just for kicks. No issues since, and I believe one of the veteran posters on here claimed that it was more than likely just an oil fouled plug, apparently a common issue on my ride (particular the 1 plug).
I didn’t really feel it but I can definitely hear it
oramaCamaro is offline   Reply With Quote
Old 06-05-2023, 01:19 PM   #6
oramaCamaro
 
Drives: 2010 SS RS
Join Date: Aug 2009
Location: upstate ny
Posts: 90
Quote:
Originally Posted by FasNuf View Post
Check for spark at the wire end that connects to the plug. You said you swapped all the parts so they're probably good but like gstorey said, it sounds like the harness triggering the coil might be loose of faulty.
I checked the wiring and didn’t see anything wrong with it, I didn’t pull back the wire loom or unwrap the electrical tape though. I thought maybe something at the connector but I didn’t see anything out of the ordinary
oramaCamaro is offline   Reply With Quote
Old 06-05-2023, 09:28 PM   #7
acutron42

 
acutron42's Avatar
 
Drives: 2013 Camaro 2SS AGM
Join Date: Apr 2020
Location: WNY
Posts: 935
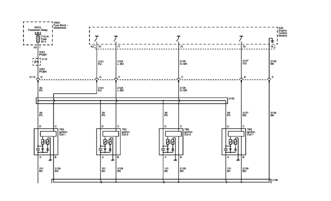
Here is a diagram for 1357. If you need any others let me know.
Attached Images
 
__________________
2013 2SS GPI built & tuned 415, spec'd by Andrew Cammer. GPI ported intake/tb/heads, Tooley springs, CHE trunnions, Callies rotating assembly, Diamond pistons, GPI SS3 VVT, ATI 10% ud damper, Circle D 3800, Kooks ceramic coated lt's with green cats, Mishimoto rad & oil cooler, Derale trans cooler, Holley efi rails. DSS driveshaft, trutrac with 3.91's, G-Force renegades, Hendrix solid cradle bushings Bmr: poly diff bushings, Strange adjustable coilovers, sub frame connectors, ZL1 npps, controlled with a vac pump & mac boost control solenoid.
acutron42 is offline   Reply With Quote
Old 06-06-2023, 01:41 PM   #8
oramaCamaro
 
Drives: 2010 SS RS
Join Date: Aug 2009
Location: upstate ny
Posts: 90
Quote:
Originally Posted by acutron42 View Post
Here is a diagram for 1357. If you need any others let me know.
Thanks, this could come in handy
oramaCamaro is offline   Reply With Quote
Old 06-08-2023, 07:00 AM   #9
oramaCamaro
 
Drives: 2010 SS RS
Join Date: Aug 2009
Location: upstate ny
Posts: 90
If it was a injector problem would it throw a injector code?
oramaCamaro is offline   Reply With Quote
Old 06-08-2023, 07:45 AM   #10
Rock-It Man
376 cubic inches of fun
 
Rock-It Man's Avatar
 
Drives: 2023 Camaro ZL1 A10
Join Date: Jul 2010
Location: MA
Posts: 4,043
Take a close look at the injector wiring.
Rock-It Man is offline   Reply With Quote
Old 06-08-2023, 10:40 AM   #11
oramaCamaro
 
Drives: 2010 SS RS
Join Date: Aug 2009
Location: upstate ny
Posts: 90
Quote:
Originally Posted by Rock-It Man View Post
Take a close look at the injector wiring.
I did and looks good, I was going to swap the injector to another cylinder and see if the code changes to another cylinder but I thought a bad injector would throw an injector code.
oramaCamaro is offline   Reply With Quote
Old 06-08-2023, 06:33 PM   #12
xstuntman

 
Drives: 2012 Victory Red LFX
Join Date: Dec 2012
Location: west central Texas
Posts: 1,351
I check for spark by running a piece of wire up into the plug boot and making contact with metal end. Then get the bare wire fairly close to the plug and have somebody crank it over to see if the spark jumps.

I'll add that I always use a pair of insulated needle nose to hold the wire. That's a mistake I made once on a friend's old Ford LTD. Cleared up my sinuses for a couple days tho.
__________________
'18 SS wheels, colored matched Heritage grille, actual driving lights, ZL1 strut tower brace, GM Performance billet aluminum fuel door, victory red rotors and calipers, 1/4 window American flags, splash guards, AEM dry panel air filter, Hot Wheels steering wheel and seat covers, Hot Wheels exterior emblems.
xstuntman is offline   Reply With Quote
Old 09-19-2023, 05:05 PM   #13
oramaCamaro
 
Drives: 2010 SS RS
Join Date: Aug 2009
Location: upstate ny
Posts: 90
I finally got some time to work on the car again and used an inline spark tester and it’s getting spark. I swapped the injector to another cylinder and I’m still getting the cylinder 7 code. I’m not sure what to do next, maybe a compression test? I would bring it to a mechanic but it sits so low I’m worried about it getting damaged getting on the flatbed.
oramaCamaro is offline   Reply With Quote
 
Reply


Posting Rules
You may not post new threads
You may not post replies
You may not post attachments
You may not edit your posts

BB code is On
Smilies are On
[IMG] code is On
HTML code is Off

Forum Jump


All times are GMT -5. The time now is 02:10 PM.


Powered by vBulletin® Version 3.8.9 Beta 4
Copyright ©2000 - 2025, vBulletin Solutions, Inc.