Camaro5 Chevy Camaro Forum / Camaro ZL1, SS and V6 Forums - Camaro5.com
 
dave@hennessey
Go Back   Camaro5 Chevy Camaro Forum / Camaro ZL1, SS and V6 Forums - Camaro5.com > Technical Camaro Topics > Cosmetics and Lighting Modification Discussions


Reply
 
Thread Tools
Old 06-25-2010, 05:32 PM   #1
motor1
 
motor1's Avatar
 
Drives: 2010 Camaro 1SS/RS/M6.....no longer
Join Date: Dec 2009
Location: Virginia
Posts: 479
How does the ABL in doors work?

I am considering adding the ABL to my 1SS. I have searched and read but a lot of the info has confused me. I am not yet sure if the plugs are in my door but even if they are I have read that they are not powered. How can I power the factory ABL light strips if the plugs are there and if the plugs are not there? I have read about wires under the kick panels and wires for the door switches. I would prefer to use factory lighting and factory plugs but appreciate any info.

In addition I have not seen an ABL car in person. Do the lights stay on when the doors are closed and are they able to be dimmed? Thanks.
motor1 is offline   Reply With Quote
Old 06-25-2010, 07:56 PM   #2
WhoDat24
Geaux Saints Geaux
 
WhoDat24's Avatar
 
Drives: Bumblebee. 2SS/RS (#88**)
Join Date: May 2009
Location: Lexington, Virginia
Posts: 109
Hey. I have a 2SS, and the ABL stays on even if all doors are closed and moving. Of everyone that i've given rides to, the ABL is one of the most frequently noticed and complimented features of the interior. But to answer your question, I know there was a post sometime last year about someone installing it themselves.. Check out the DIY section?

Oh, and as far as I know, you can't dim them. However, they aren't any brighter than your radio's light.
__________________

WhoDat24 is offline   Reply With Quote
Old 06-25-2010, 08:07 PM   #3
skuttduck


 
skuttduck's Avatar
 
Drives: 2010 RJT 2LT Camaro
Join Date: May 2009
Location: East Lansing, MI
Posts: 2,529
Send a message via ICQ to skuttduck Send a message via AIM to skuttduck Send a message via Yahoo to skuttduck
Quote:
Originally Posted by WhoDat24 View Post
Hey. I have a 2SS, and the ABL stays on even if all doors are closed and moving. Of everyone that i've given rides to, the ABL is one of the most frequently noticed and complimented features of the interior. But to answer your question, I know there was a post sometime last year about someone installing it themselves.. Check out the DIY section?

Oh, and as far as I know, you can't dim them. However, they aren't any brighter than your radio's light.
I've been in and out of the doors, dash, etc in my 2LT.

Here goes. The light is an LED light, with a 5mm diameter Acrylic tube, with a small white stripe along the back. When the light is shining down the tube, the white on the back reflects that light out of the panel.

The panel is painted from behind except on the curve. The rest is just clear plastic.

The ambient light circuit is dimmable. I've have yet to find actually where it originates from, but it is a purple wire, and the diagrams show an SRK/SRM or something. That appears to be where you need to find to get the real ambient light circuit.

http://www.camaro5.com/forums/attach...1&d=1259102106

You could go with the door LED for the window switch, use the yellow and black wires to hook up the lamp and it will still be dimmable. Only difference is that this circuit (IP) will not dim all the way off. It will stay on at the lowest level.

Hope that helps.
__________________

Last edited by skuttduck; 06-25-2010 at 08:29 PM.
skuttduck is offline   Reply With Quote
Old 06-25-2010, 08:12 PM   #4
Michael_Js
SoCal C5 Family Member
 
Michael_Js's Avatar
 
Drives: 2010 Camaro SS/RS - Black w/IOM; 6M
Join Date: Jul 2009
Location: San Diego, CA, USA
Posts: 5,298
Send a message via AIM to Michael_Js Send a message via MSN to Michael_Js
Oh, they do dim in the 2SS - they are connected to the same power source as all the other nighttime illumination
__________________
~~~~~~~~~~~~~~~~~~~~~~~~~~~~~~~~~~~~~~~~~~~~~~~~~~ ~~~~~~~~~~~~~~~~~~~~~~
2010 Black 2SS/RS; 6M; IOM, GFX, sunroof; ADM Race CAI; Zoomers CB; Viper Alarm; Pdaft F&R sways, Adj Endlinks, Rtrailing arms, Camber kit, strut brace, Front Trailing Arm Bushing; SLP Skip-Shift Elim; Tinted lights/windows; Hurst Short-throw; LoJack; Door & Dash ABL Mods; ********; JBA Shorty headers; AACStyle LEDs; Stillen DS rotors, Hawk Ceramic pads; Havoc Blk Chrome wheels: 20x9s; Lingenfelter Blk Al Pedals; RevXtreme Catch Can; Goodridge SS lines; Ported TB; RK Sport hood; Hotchkis chassis brace; KW V3 coilovers;
Michael_Js is offline   Reply With Quote
Old 06-25-2010, 08:30 PM   #5
skuttduck


 
skuttduck's Avatar
 
Drives: 2010 RJT 2LT Camaro
Join Date: May 2009
Location: East Lansing, MI
Posts: 2,529
Send a message via ICQ to skuttduck Send a message via AIM to skuttduck Send a message via Yahoo to skuttduck
Quote:
Originally Posted by Michael_Js View Post
Oh, they do dim in the 2SS - they are connected to the same power source as all the other nighttime illumination
True, but take note that it will go off. Your window switch, traction control switch, etc.. They all have a little bit of light when the ambient light is off.

Only thing I could tell that does the exact same thing was the rings around the speedometer. By the way, I couldn't find a wire that controlled that. I believe that is done digitally.
__________________
skuttduck is offline   Reply With Quote
Old 06-27-2010, 01:29 PM   #6
motor1
 
motor1's Avatar
 
Drives: 2010 Camaro 1SS/RS/M6.....no longer
Join Date: Dec 2009
Location: Virginia
Posts: 479
Quote:
Originally Posted by skuttduck View Post
True, but take note that it will go off. Your window switch, traction control switch, etc.. They all have a little bit of light when the ambient light is off.

Only thing I could tell that does the exact same thing was the rings around the speedometer. By the way, I couldn't find a wire that controlled that. I believe that is done digitally.
Thanks, that just answered ANOTHER question I had. Thanks again for all the help.
motor1 is offline   Reply With Quote
Old 12-19-2014, 11:13 PM   #7
iosigma
 
Drives: 2016 Camaro 2SS, 1991 Camaro RS
Join Date: Apr 2012
Location: East Tennessee
Posts: 46
hey guys i tried the yellow and black wires on the window switch but it didn't work..i have a 2011 1ss and the panels from the factory with the ambient light strip. Are these wires incorrect?
iosigma is offline   Reply With Quote
Old 04-18-2015, 02:53 AM   #8
chris7488
 
chris7488's Avatar
 
Drives: 2011 camaro ss
Join Date: Sep 2012
Location: miami
Posts: 230
So there's really not a way to use the stock harness without tapping in to the window switch
chris7488 is offline   Reply With Quote
Old 10-06-2020, 04:44 PM   #9
DMan918
 
Drives: 2012 Camaro SS Convertible 6MT
Join Date: Jun 2020
Location: Algonquin, IL
Posts: 258
Does anyone have any updates on this? I tried the yellow and black window switch wires and that did not work. Actually fried out my driver side window actuator.
DMan918 is offline   Reply With Quote
Old 10-06-2020, 07:49 PM   #10
spyderbuddy


 
Drives: 2010 RS Inferno Orange Metallic
Join Date: Mar 2010
Location: Albany, Ga.
Posts: 3,474
Look for a Plug on the door panel above the door speaker in the wire loom.
You can just make it out in this picture.

All 2010's had the wiring for the ABL's in the harness, Even in the dash.
Attached Images
 
spyderbuddy is offline   Reply With Quote
Old 10-06-2020, 08:04 PM   #11
DMan918
 
Drives: 2012 Camaro SS Convertible 6MT
Join Date: Jun 2020
Location: Algonquin, IL
Posts: 258
Quote:
Originally Posted by spyderbuddy View Post
Look for a Plug on the door panel above the door speaker in the wire loom.
You can just make it out in this picture.

All 2010's had the wiring for the ABL's in the harness, Even in the dash.
Thanks. I plugged them in these but they still do not turn on.
DMan918 is offline   Reply With Quote
Old 10-06-2020, 08:21 PM   #12
spyderbuddy


 
Drives: 2010 RS Inferno Orange Metallic
Join Date: Mar 2010
Location: Albany, Ga.
Posts: 3,474
Quote:
Originally Posted by DMan918 View Post
Thanks. I plugged them in these but they still do not turn on.

Fuse? and the headlights parking lights have to be on

Last edited by spyderbuddy; 10-06-2020 at 08:32 PM.
spyderbuddy is offline   Reply With Quote
Old 10-06-2020, 08:39 PM   #13
spyderbuddy


 
Drives: 2010 RS Inferno Orange Metallic
Join Date: Mar 2010
Location: Albany, Ga.
Posts: 3,474
I installed the ABL dash Lighting kit from Gen 5 and just plugged them in the dash
the plugs were there also. Most car companies do not make separate wiring harnesses between Trim Levels, it would cost to much. But don't mean they may leave a fuse out if that system is not used.
spyderbuddy is offline   Reply With Quote
Old 10-06-2020, 09:02 PM   #14
spyderbuddy


 
Drives: 2010 RS Inferno Orange Metallic
Join Date: Mar 2010
Location: Albany, Ga.
Posts: 3,474
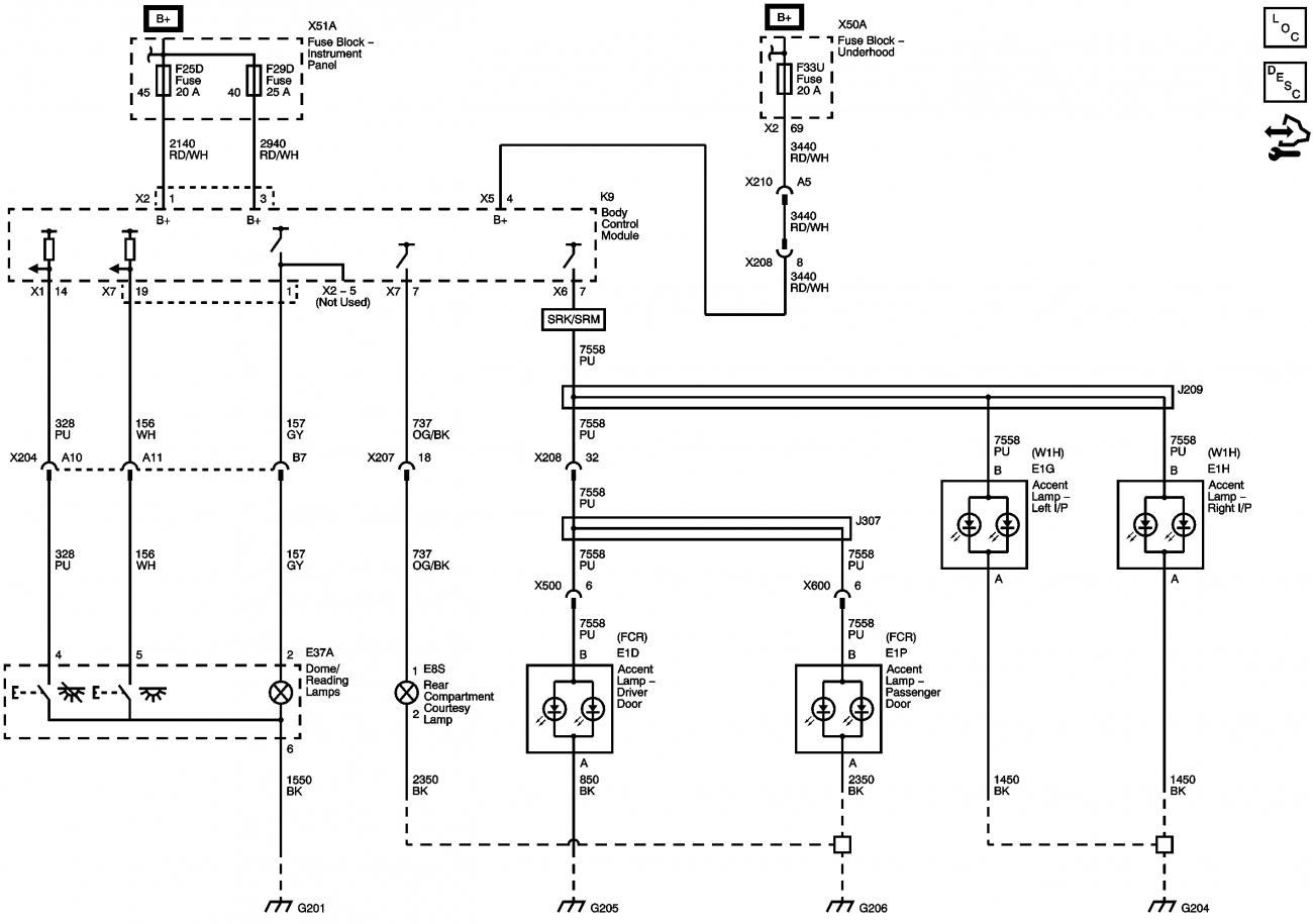
Looking at the Electrical book for the interior Lighting page 12-47
Fuses F25, F29 & F6 Controls the power for this part of the lights.
spyderbuddy is offline   Reply With Quote
 
Reply


Posting Rules
You may not post new threads
You may not post replies
You may not post attachments
You may not edit your posts

BB code is On
Smilies are On
[IMG] code is On
HTML code is Off

Forum Jump

Similar Threads
Thread Thread Starter Forum Replies Last Post
PWA "The Lounge" DGthe3 Off-topic Discussions 143773 11-06-2010 12:00 PM
*WORST DEALER WORK EVER!!!*look at what they did to my baby* 2SSmeCamaro 5th Gen Camaro SS LS LT General Discussions 105 06-15-2010 03:25 PM
"Lambo Doors..." >_O Zabo 4th Generation Camaros 25 02-26-2009 10:47 PM
ABL (ambient lighting) limited to the doors only? StoutFiles 5th Gen Camaro SS LS LT General Discussions 555 02-26-2009 05:08 PM
If the El Camaro makes it to production.... Silverado General Automotive + Other Cars Discussion 8 02-21-2008 11:17 AM


All times are GMT -5. The time now is 01:42 PM.


Powered by vBulletin® Version 3.8.9 Beta 4
Copyright ©2000 - 2026, vBulletin Solutions, Inc.